MIL-STD-220
MIL-F-15733
MIL-STD-810
LV Directive
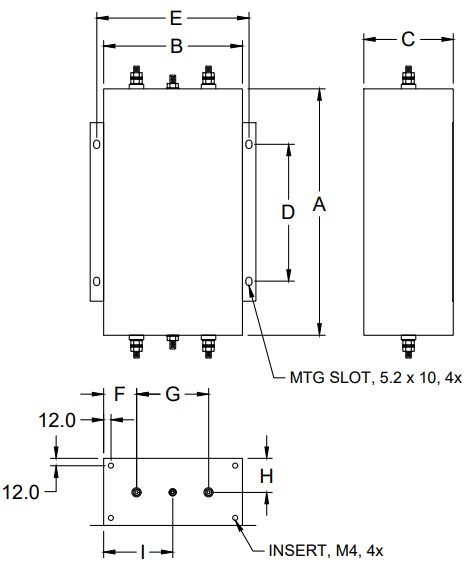
| MODEL | AMPS | TERMINALS | DIMENSIONS (MM) | WEIGHT LBS(KG) |
|---|---|---|---|---|
|
||||
| PFMT222S-10 | 10 | M5 |
|
4.0(1.8) |
|
