MIL-STD-220
MIL-F-15733
MIL-STD-810
LV Directive
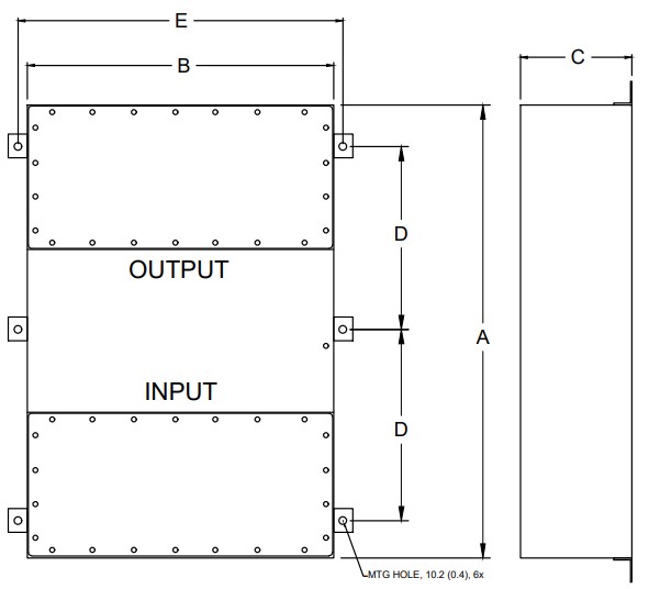
| MODEL | AMPS | TERMINALS | DIMENSIONS - MM(IN) | WEIGHT LBS(KG) |
|---|---|---|---|---|
|
||||
| PFMT255S-200 | 200 | M12 |
|
115(52.3) |
|
