MIL-STD-220
MIL-F-15733
MIL-STD-810
LV Directive
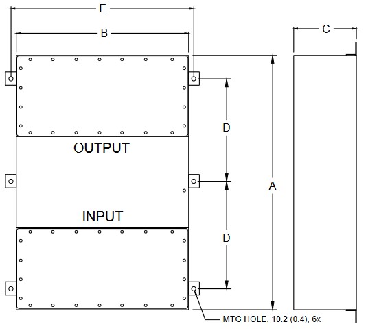
| MODEL | AMPS | TERMINALS | DIMENSIONS - MM(IN) | WEIGHT LBS(KG) |
|---|---|---|---|---|
|
||||
| PFMT355S-100 | 100 | M10 |
|
92(41.8) |
|
