Home
EMI/RFI FILTERS
Products
About Us
Blog
FAQs
Resources
Terms and Conditions
Warranty Information
Installation Instructions
Contact Us
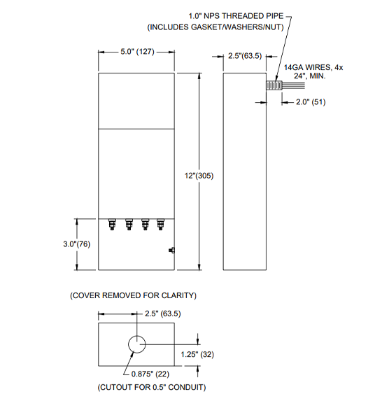
PFMF855DLT-4
4-LINE DATA SCIF/TEMPEST FILTER
E.G. 14/2 DIGITAL FIRE ALARM,
AC MINI-SPLIT, ETC.
DC-200KHZ PASSBAND
600/300 OHMS (L-L/L-G)
SPECIFICATIONS
Max voltage: 0-300VAC/0-300VDC
Operating frequency: DC-60HZ
Rated current: 10A/Line
Ambient temp.: -40 to 65C
Hipot (L-G): 2265VDC
Terminals: M5 Studs
Performance: 100dB (3MHZ to 20GHZ)
Typ. weight, LBS (KG): 11 (5.0)
MIL-STD-220
MIL-F-15733
MIL-STD-810
LV DIRECTIVE
DOWNLOAD SHEET
SPECIFICATIONS SUBJECT TO CHANGE
Optimized by Seraphinite Accelerator
Turns on site high speed to be attractive for people and search engines.