Home
EMI/RFI FILTERS
Products
About Us
Blog
FAQs
Resources
Terms and Conditions
Warranty Information
Installation Instructions
Contact Us
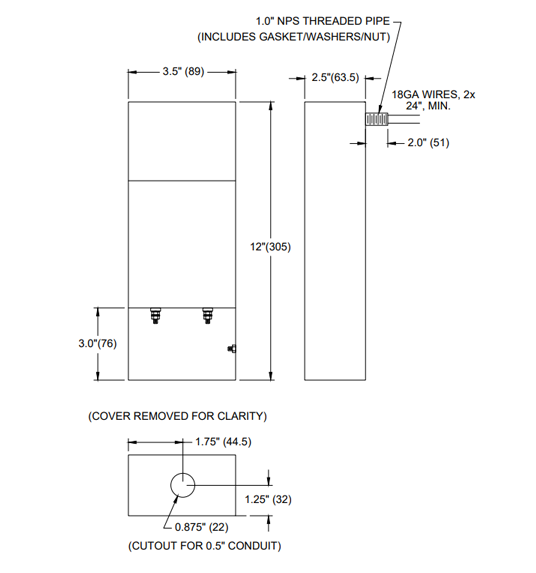
PFMF870DLT-2
2-LINE DATA SCIF/TEMPEST FILTER
E.G. RS485 / 128KBAUD
DC-250KHZ PASSBAND
100/50 OHMS (L-L/L-G)
SPECIFICATIONS
Max voltage: 0-300VAC/0-300VDC
Operating frequency: DC-60HZ
Rated current: 5A/Line
Ambient temp.: -40 to 65C
Hipot (L-G): 2265VDC
Terminals: M5 Studs
Performance: 100dB (5MHZ to 20GHZ)
Typ. weight, LBS (KG): 8 (3.6)
MIL-STD-220
MIL-F-15733
MIL-STD-810
LV DIRECTIVE
DOWNLOAD SHEET
SPECIFICATIONS SUBJECT TO CHANGE