MIL-STD-220
MIL-F-15733
MIL-STD-810
LV Directive
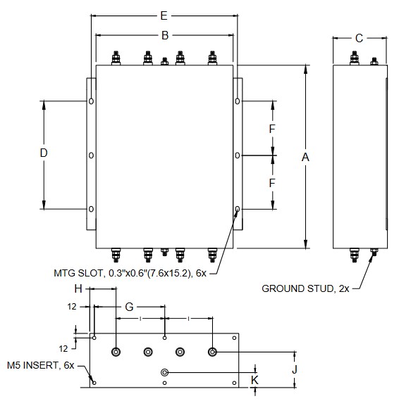
| MODEL | AMPS | TERMINALS | DIMENSIONS - MM(IN) | WEIGHT LBS(KG) |
|---|---|---|---|---|
|
||||
| PFMT444S-150 | 150 | M10 |
|
96(43.6) |
|
